美国采购需求:滚珠丝杠执行器、紧凑型电动执行器、电动执行器、电动缸、电动直线执行器、直线执行器电机
原文:ball screw actuators,compact electric actuator,electric actuator,electric cylinders,electric linear actuator,linear actuator motor
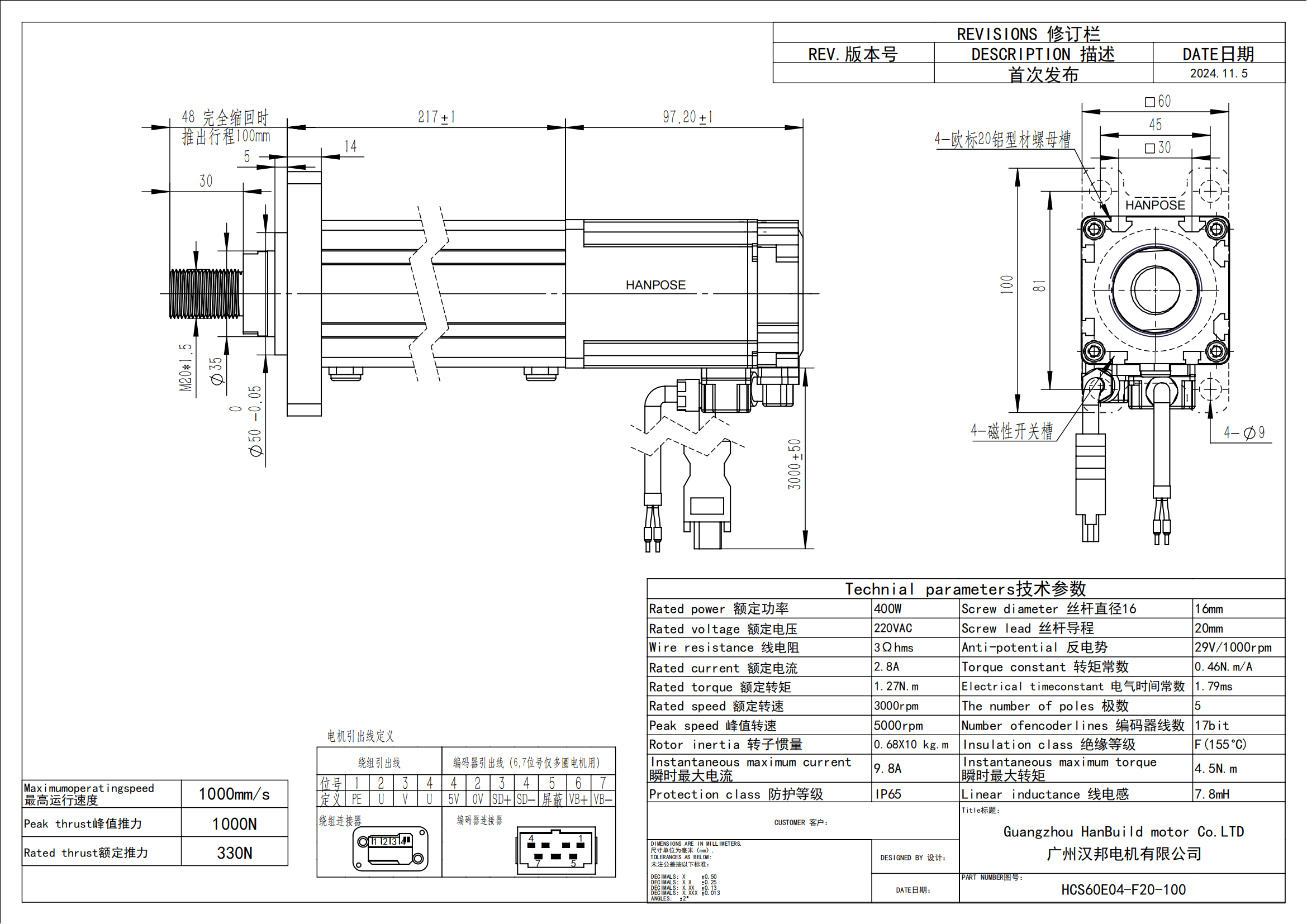
参考产品图片:
-
B2B平台
-
美国
- 2026-04-16
- jeremy.vail****@****el.com
- 978****478
采购商询盘内容
I hope this message finds you well. I'm reaching out to gain some clarity on a specific servo model that has caught my attention. I'm really interested in understanding whether this is an existing product that your company currently manufactures or if it is still in the conceptual stages. Having this information will help me gauge its availability for our upcoming projects and determine how it fits into our overall procurement strategy.
Additionally, if this model is already in production, I would appreciate any details about its specifications, pricing, and lead times. If it's still a concept, I'd love to know more about potential timelines for development and any insights into its anticipated features. This information is crucial for us as we plan our sourcing and investment decisions in the near future. Looking forward to your prompt response!
希望您一切安好。我联系您是想了解一下贵公司最近关注的一款伺服电机型号。我非常想知道这款产品目前是否在生产,还是仍在研发阶段。这些信息将有助于我评估它是否适用于我们即将开展的项目,并确定它如何融入我们的整体采购策略。
此外,如果这款产品已经投产,能否提供其规格、价格和交货周期等详细信息?如果目前仍处于概念阶段,能否告知我们可能的研发时间表以及预期功能?这些信息对我们近期的采购和投资决策至关重要。期待您的尽快回复!
注册免费获取联系方式(剩余查看次数2)
